Registrador de datos para el control de máquinas con registro adicional de los valores ambientales
El registrador de datos para la ingeniería mecánica PCE-VDL 16I de PCE Instruments mide y registra las magnitudes de temperatura, humedad relativa, presión atmosférica, luz y aceleración a través de un sensor triaxial. Este registrador de datos es un dispositivo ideal para el control de oscilaciones de máquinas, y la medición y registro simultáneo de las condiciones ambientales de la instalación. Aunque las máquinas industriales o máquinas procesadoras, como puede ser una máquina de fresado, utilizan sistemas de accionamiento mejorados, el registrador de datos puede igualmente registrar el comportamiento de oscilación de la máquina y registrar el curso temporal de las vibraciones. Esto permite analizar el comportamiento de la máquina de fresado en intervalos cortos de tiempo, y con ello, localizar fuentes de averías. ¿Es la transmisión la que genera un problema de vibración, o es una herramienta? PCE Instruments ofrece medidores de vibración de instalación fija que permiten un control continuo de una máquina. Sin embargo, el registrador de datos es una opción económica para controlar la máquina de forma rápida y precisa.
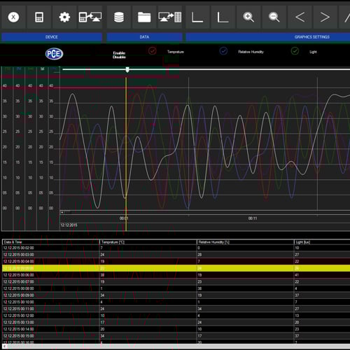
Optimice sus instalaciones. Registre datos que resultarán muy útiles para reducir el desgaste de sus máquinas e instalaciones. Facilítese la interpretación de los sistemas de cojinetes y amortiguadores, reduzca el ruido de motores, detecte inmediatamente desequilibrios … el registrador de datos para el control de máquinas es su herramienta económica y precisa en el ámbito de la ingeniería mecánica y otros sectores. Según el ajuste de la cuota de almacenamiento podrá registrar valores durante varios días. Los valores registrados se guardan en la tarjeta SD interna de 2 GB. Podrá transferir esos datos a otros soportes y analizarlos allí. El software del registrador de datos para la ingeniería mecánica permite ajustarlo según las necesidades de cada usuario. El mismo software lee los datos del registrador de datos. Cuando un cliente realice un pedido recibirá siempre la última versión del software. Esta está también disponible en nuestra sección de descargas. Otra ventaja es que en caso que el estado de la batería se agote, los valores siguen almacenados; es decir, el usuario no pierde los valores registrados. En caso que necesite una capacidad de memoria superior, otro tipo de sensores o una batería de mayor duración, contacte por favor con la sección de desarrollo de PCE Instruments. Como fabricantes de este dispositivo podemos ofrecerle una solución rápida y económica.
Optimice sus instalaciones. Registre datos que resultarán muy útiles para reducir el desgaste de sus máquinas e instalaciones. Facilítese la interpretación de los sistemas de cojinetes y amortiguadores, reduzca el ruido de motores, detecte inmediatamente desequilibrios … el registrador de datos para el control de máquinas es su herramienta económica y precisa en el ámbito de la ingeniería mecánica y otros sectores. Según el ajuste de la cuota de almacenamiento podrá registrar valores durante varios días. Los valores registrados se guardan en la tarjeta SD interna de 2 GB. Podrá transferir esos datos a otros soportes y analizarlos allí. El software del registrador de datos para la ingeniería mecánica permite ajustarlo según las necesidades de cada usuario. El mismo software lee los datos del registrador de datos. Cuando un cliente realice un pedido recibirá siempre la última versión del software. Esta está también disponible en nuestra sección de descargas. Otra ventaja es que en caso que el estado de la batería se agote, los valores siguen almacenados; es decir, el usuario no pierde los valores registrados. En caso que necesite una capacidad de memoria superior, otro tipo de sensores o una batería de mayor duración, contacte por favor con la sección de desarrollo de PCE Instruments. Como fabricantes de este dispositivo podemos ofrecerle una solución rápida y económica. Monitorización autosuficiente durante un espacio de tiempo definido
El registrador de datos para la ingeniería mecánica compacto es un dispositivo intermedio entre los medidores de vibración móviles que se usan regularmente para ver el estado de las máquinas y un sistema de instalación fija para el registro continuo de datos. Los dispositivos móviles tienen la ventaja que son equipos más económicos y que el número de valores es más fácil de analizar, pues los intervalos de registro son de unos días, semanas o como mucho algunos meses. Por otro lado, conlleva que no se registren los eventos de vibración entre cada medición, y por tanto puede perder información valiosa sobre el estado de la máquina. Para evitar esto se usan sistemas de instalación fija. El control de una máquina con un sistema de instalación fija plasma una imagen del estado de la máquina durante todo el tiempo de control, por lo que no se pierde ninguna información. Por otro lado, los gastos de adquisición son mayores y también es necesario poder almacenar, analizar y evaluar una inmensa cantidad de datos. El registrador de datos para la ingeniería mecánica cierra el puente entre ambos tipos de medidores.
Con el registrador de datos puede detectar las vibraciones y oscilaciones en máquinas durante un espacio de tiempo definido sin la necesidad de instalar de forma fija grandes equipos, y por otro lado, sin el peligro de perder valiosos datos que son importantes para indicar el estado de una máquina.
Con el registrador de datos puede detectar las vibraciones y oscilaciones en máquinas durante un espacio de tiempo definido sin la necesidad de instalar de forma fija grandes equipos, y por otro lado, sin el peligro de perder valiosos datos que son importantes para indicar el estado de una máquina. Control de máquinas durante el proceso en instalaciones de fabricación
Además de usar el registrador de datos para determinar el estado de una máquina, también lo puede usar para obtener información de procesos. Cada máquina genera a través de la unidad de transmisión vibraciones y oscilaciones. En las instalaciones de fabricación, como puede ser una fresadora, tales oscilaciones son absorbidas por las vibraciones del proceso. Según las revoluciones del fresado, la selección del avance, la profundidad con la que la fresadora está trabajando, el afilado de las cuchillas, la dirección del fresado y el material que se está procesando, es posible encontrarse con picos de vibración, que según qué casos pueden estar en el rango de la resonancia natural en según qué componentes de la máquina. Las cargas mecánicas generadas pueden dañar la fresa, el rodamiento para husillo y en general toda la máquina. Por otro lado, unas vibraciones fuertes pueden causar errores en la superficie de fresado o dejar marcas de vibración. Para deducir durante el proceso en qué parámetros aparecen las mayores cargas mecánicas, puede usar el registrador de datos para la ingeniería mecánica.
Posibilidades de uso del registrador de datos para la ingeniería mecánica
En el sector de la ingeniería mecánica puede usar el registrador de datos de PCE Instruments para obtener datos valiosos en el control de máquinas y también para la carga, la estructura o el transporte de mercancía valiosa, grandes máquinas o instalaciones de producción. Existen diferentes fuentes de peligros que pueden tener consecuencias económicas para el fabricante y la empresa de transporte: una descarga brusca con la carretilla elevadora o la grúa o golpes generados durante el transporte. A la hora de analizar las causas el registrador de datos para la ingeniería mecánica puede proporcionar datos relevantes sobre el momento concreto, la magnitud y la dirección de la carga del golpe, teniendo en cuenta las condiciones ambientales como la temperatura y humedad. Gracias a la detección de estos parámetros físicos obtenidos con el registrador de datos es posible aclarar las cuestiones de responsabilidad en caso de daños en la mercancía. Una documentación completa de las condiciones ambientales permite además predecir picos de cargas, lo que simplifica la planificación de futuros transportes. El uso de este registrador de datos para la ingeniería mecánica es realmente muy amplio. Sea que lo use para el control de máquinas, o la documentación de vibraciones y golpes durante el transporte, el registrador de datos para la ingeniería mecánica de PCE Instruments ofrece información muy valiosa.






